FPC connector
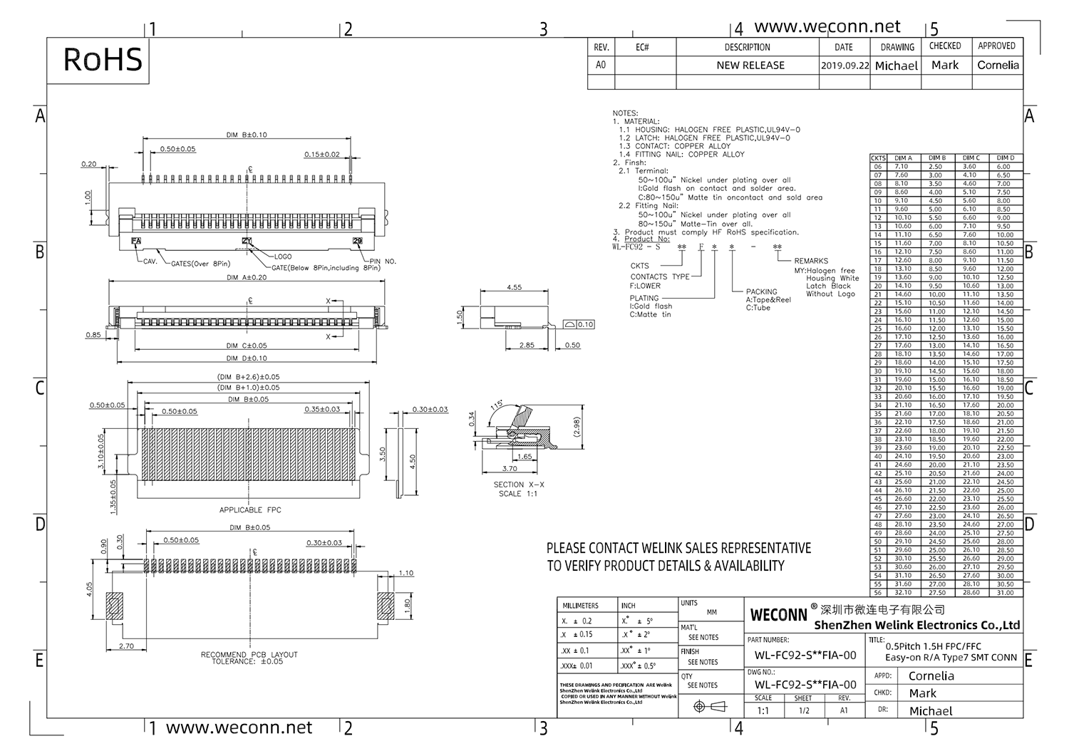
Product name: FPC connector Part Number: WL-FC92-S**FIA-00 Specifications: 0.5Pitch H1.50 FPC/FFC Easy-on R/A Type7 SMT CONN Plastic: black/white high temperature resistant UL94V-0 Terminal: copper alloy; Shell: LCP
Technical parameters:
1. Rated current: 1.0A AC/DC
2. Rated voltage: 50V AC/DC
3. Operating temperature: -40°C ~ +85°C
4. Storage temperature: -40°C ~ +85°C
5. Contact Impedance: 100m ohms max.
6. Withstand voltage: 500V AC / 1 minute
7. Insulation resistance: 1000M ohms min./500VDC
8. Durability: 1500 times
9. Product temperature resistance: 260±5°C 10S
10. Flatness: 0.10mm MAX.
11. RoHS compliant
12. Stable and superior performance
Product Description:
1. This connector is widely used in mobile phones, tablet PCs, navigators, LCD TVs, automobiles, aviation, smart wearable devices, etc.;
2. Inspection of this product Process is: IQC feed inspection -> into the warehouse -> before the on-line self-test -> IPQC inspection -> FQC final inspection -> OQC out of the cargo inspection
3. This product production process is: on-line inspection - > Cutting filament ribbons-->Assembly shell-->Electrical test-->Flatness test-->Positiveity test-->Appearance test-->FQC test-->into storage
Drawing:


Name: Cornelia
Tel: 13728802600
QQ: 1455613616
Mail: cornelia@weconn.net
Add: No. 100 Building, Mashantou Community, Matian Street, Guangming District, Shenzhen