您好,欢迎访问深圳市微连电子有限公司
Chinese English
cornelia@weconn.net 13728802600
  • WL-FC92-S**FIA-00
WL-FC92-S**FIA-00

WL-FC92-S**FIA-00

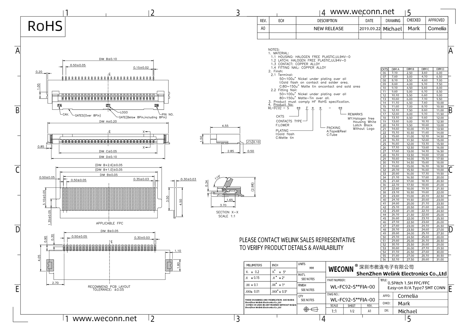
产品名称:FPC连接器 产品料号:WL-FC92-S**FIA-00 产品规格:0.5mm翻盖下接带扣高1.5mm 塑胶:黑色/白色耐高温 UL94V-0 端子:磷铜 外壳:LCP

一、技术参数:
1.额定电流:1.0A AC/DC 
2.额定电压:50V AC/DC
3.操作温度:-40℃ ~ +85℃
4.储存温度:--40℃ ~ +85℃
5.接触阻抗:100m ohms max.
6.耐电压:500V AC /1分钟
7.绝缘阻抗:1000M ohms min./500VDC
8.耐久次数:1500次
9.产品耐温:260±5℃ 10S
10.平面度:0.10mm MAX.
11.符合RoHS
12.稳定优越的性能

二、产品说明:
1.此连接器广泛应用于手机,平板电脑,导航仪,液晶电视,汽车,航空,智能穿戴设备等;
2.此产品检验流程为:IQC进料检验-->入库-->上线前自检-->IPQC检验-->FQC终检-->OQC出货物检查
3.此产品生产流程为:上线前检验-->切molding料带-->组装外壳-->电性检验-->平面度检验-->正位度检验-->外观检验-->FQC检验-->入库

三、产品规格:

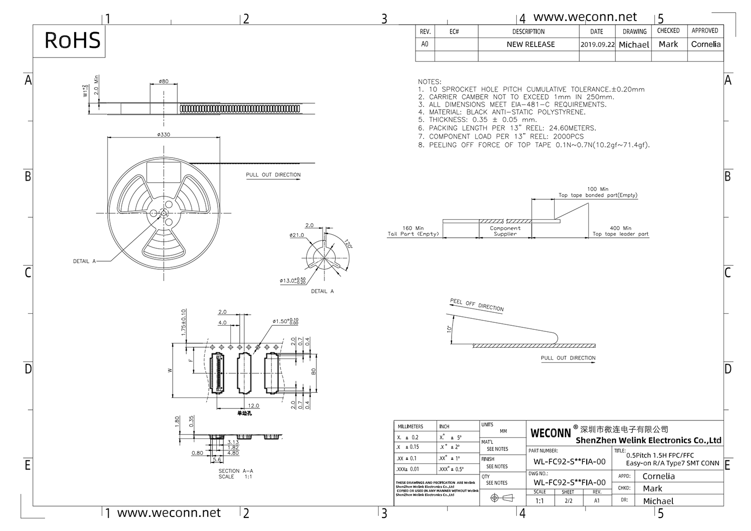
FP14 WL-FC92-S**FIA-00_00.png

FP14 WL-FC92-S**FIA-00_01.png


上一条:WL-FC31-S**FIA-00 下一条:WL-FC30-S**FCA-00

产品咨询

栏目分类

联系我们

联系人: 陈经理

电话: 13728802600

QQ: 1455613616

邮箱: cornelia@weconn.net

地址: 1.深圳市光明区马田街道马山头社区第五工业区100栋三楼 2.东莞市黄江镇社贝路135号二楼